FA68減速機詳細信息
FA68減速機
FA68減速機選型計算:齒輪減速馬達
滑軌輸送機參數:拉動5700Kg,齒輪直徑φ145mm,行駛速度0.55m/s
運輸速度0.55m×60s=33m每分鐘
3.14(圓周率)×0.145m(齒輪直徑145mm)=0.4553m
33m÷0.4553m=72.48r/min輸出轉數
輸送物流5700Kg換算成N=55860n
55860n×0.0725齒輪半徑×0.06摩擦系數=243×2=486N.m輸出扭矩
1400電機輸入轉速÷72.48r/min=19.32減速比
486N.m輸出扭矩÷19.32減速比=25.16N.m電機扭矩
25.16N.m電機扭矩換算成電機功率=3.99KW左右
對應的FA68減速機選型參數:
型號:FA68-BVP4KW
減速比:20.9
輸出轉數:70轉
輸出扭矩:545N.m
安全系數:1.5
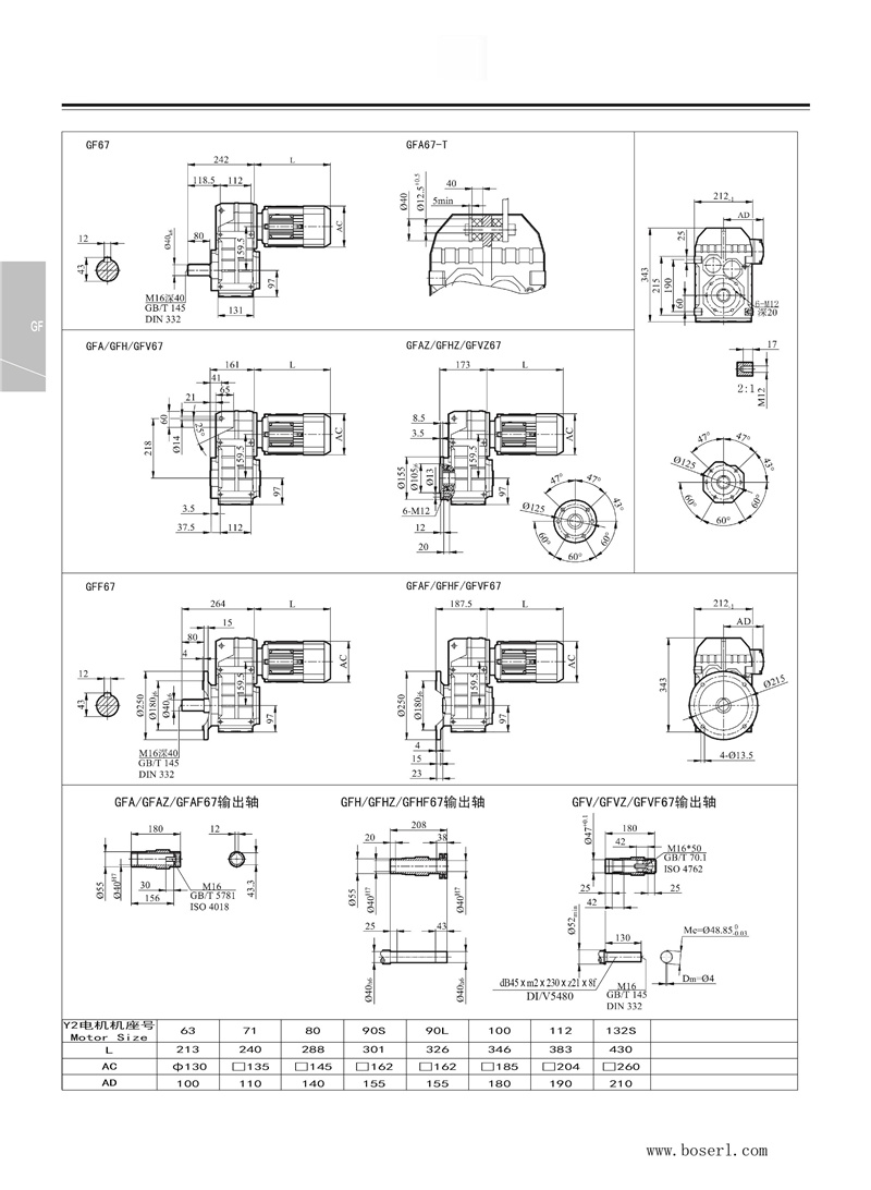
FA68減速機平面圖紙:輸出軸Φ20+鍵2.5(可定做),高134*寬135*長174(帶輸出軸)分體減速機電機

FA68斜齒輪平行軸減速機型號:

FA68系列減速機參數大全:平行軸斜齒輪減速機
減速機配0.18KW電機參數
| 型號 | 速比 | 功率 | 重量 | 沖擊力 |
| F67Y0.18KW | 228.99 | 0.18KW | 61kg | 13000N |
| F67Y0.18KW | 195.39 | 0.18KW | 61kg | 13000N |
| F67Y0.18KW | 170.85 | 0.18KW | 61kg | 13000N |
減速機配0.25KW電機參數
| 型號 | 速比 | 功率 | 重量 | 沖擊力 |
| F67Y0.25KW | 228.99 | 0.25KW | 65Kg | 12700N |
| F67Y0.25KW | 195.39 | 0.25KW | 65Kg | 13000N |
| F67Y0.25KW | 170.85 | 0.25KW | 65Kg | 13000N |
| F67Y0.25KW | 162.31 | 0.25KW | 65Kg | 13000N |
| F67Y0.25KW | 142.40 | 0.25KW | 65Kg | 13000N |
減速機配0.37KW電機參數
| 型號 | 速比 | 功率 | 重量 | 沖擊力 |
| F67Y0.37KW | 228.99 | 0.37KW | 65.5Kg | 12000N |
| F67Y0.37KW | 195.39 | 0.37KW | 65.5Kg | 12400N |
| F67Y0.37KW | 170.85 | 0.37KW | 65.5Kg | 12700N |
| F67Y0.37KW | 162.31 | 0.37KW | 65.5Kg | 12800N |
| F67Y0.37KW | 142.40 | 0.37KW | 65.5Kg | 12900N |
| F67Y0.37KW | 120.79 | 0.37KW | 65.5Kg | 13000N |
減速機配0.55KW電機參數
| 型號 | 速比 | 功率 | 重量 | 沖擊力 |
| F67Y0.55KW | 195.39 | 0.55KW | 70Kg | 10900N |
| F67Y0.55KW | 170.85 | 0.55KW | 70Kg | 11600N |
| F67Y0.55KW | 162.31 | 0.55KW | 70Kg | 11800N |
| F67Y0.55KW | 142.40 | 0.55KW | 70Kg | 12200N |
| F67Y0.55KW | 120.79 | 0.55KW | 70Kg | 12600N |
| F67Y0.55KW | 109.04 | 0.55KW | 70Kg | 12800N |
| F67Y0.55KW | 95.94 | 0.55KW | 70Kg | 12900N |
| F67Y0.55KW | 90.59 | 0.55KW | 70Kg | 13000N |
| F67Y0.55KW | 79.76 | 0.55KW | 70Kg | 13000N |
減速機配0.75KW電機參數
| 型號 | 速比 | 功率 | 重量 | 沖擊力 |
| F67Y0.75KW | 170.85 | 0.75KW | 71Kg | 10000N |
| F67Y0.75KW | 162.31 | 0.75KW | 71Kg | 10400N |
| F67Y0.75KW | 142.40 | 0.75KW | 71Kg | 11200N |
| F67Y0.75KW | 120.79 | 0.75KW | 71Kg | 11900N |
| F67Y0.75KW | 109.04 | 0.75KW | 71Kg | 12200N |
| F67Y0.75KW | 95.94 | 0.75KW | 71Kg | 12500N |
| F67Y0.75KW | 90.59 | 0.75KW | 71Kg | 12600N |
| F67Y0.75KW | 79.76 | 0.75KW | 71Kg | 12800N |
| F67Y0.75KW | 67.65 | 0.75KW | 71Kg | 13000N |
| F67Y0.75KW | 61.07 | 0.75KW | 71Kg | 13000N |
減速機配1.1KW電機參數
| 型號 | 速比 | 功率 | 重量 | 沖擊力 |
| F67Y1.1KW | 120.79 | 1.1KW | 75Kg | 9600N |
| F67Y1.1KW | 109.04 | 1.1KW | 75Kg | 10400N |
| F67Y1.1KW | 95.94 | 1.1KW | 75Kg | 11200N |
| F67Y1.1KW | 90.59 | 1.1KW | 75Kg | 11500N |
| F67Y1.1KW | 79.76 | 1.1KW | 75Kg | 12000N |
| F67Y1.1KW | 67.65 | 1.1KW | 75Kg | 12400N |
| F67Y1.1KW | 61.07 | 1.1KW | 75Kg | 12600N |
| F67Y1.1KW | 53.73 | 1.1KW | 75Kg | 12800N |
| F67Y1.1KW | 50.74 | 1.1KW | 75Kg | 12900N |
| F67Y1.1KW | 43.20 | 1.1KW | 75Kg | 13000N |
| F67Y1.1KW | 39.26 | 1.1KW | 75Kg | 13000N |
| F67Y1.1KW | 34.01 | 1.1KW | 75Kg | 13000N |
減速機配1.5KW電機參數
| 型號 | 速比 | 功率 | 重量 | 沖擊力 |
| F67Y1.5KW | 90.59 | 1.5KW | 78Kg | 9450N |
| F67Y1.5KW | 79.76 | 1.5KW | 78Kg | 10500N |
| F67Y1.5KW | 67.65 | 1.5KW | 78Kg | 11400N |
| F67Y1.5KW | 61.07 | 1.5KW | 78Kg | 11800N |
| F67Y1.5KW | 53.73 | 1.5KW | 78Kg | 12200N |
| F67Y1.5KW | 50.74 | 1.5KW | 78Kg | 12400N |
| F67Y1.5KW | 43.20 | 1.5KW | 78Kg | 12700N |
| F67Y1.5KW | 39.26 | 1.5KW | 78Kg | 12800N |
| F67Y1.5KW | 36.30 | 1.5KW | 78Kg | 12900N |
| F67Y1.5KW | 32.08 | 1.5KW | 78Kg | 13000N |
| F67Y1.5KW | 27.41 | 1.5KW | 78Kg | 13000N |
| F67Y1.5KW | 25.13 | 1.5KW | 78Kg | 13000N |
減速機配2.2KW電機參數
| 型號 | 速比 | 功率 | 重量 | 沖擊力 |
| F67Y2.2KW | 61.07 | 2.2KW | 87Kg | 9520N |
| F67Y2.2KW | 53.73 | 2.2KW | 87Kg | 10600N |
| F67Y2.2KW | 50.74 | 2.2KW | 87Kg | 10900N |
| F67Y2.2KW | 43.20 | 2.2KW | 87Kg | 11700N |
| F67Y2.2KW | 39.26 | 2.2KW | 87Kg | 12000N |
| F67Y2.2KW | 34.01 | 2.2KW | 87Kg | 12400N |
| F67Y2.2KW | 32.08 | 2.2KW | 87Kg | 12500N |
| F67Y2.2KW | 27.41 | 2.2KW | 87Kg | 12800N |
| F67Y2.2KW | 25.13 | 2.2KW | 87Kg | 12900N |
| F67Y2.2KW | 22.05 | 2.2KW | 87Kg | 13000N |
| F67Y2.2KW | 20.90 | 2.2KW | 87Kg | 13000N |
| F67Y2.2KW | 18.29 | 2.2KW | 87Kg | 13000N |
減速機配3KW電機參數
| 型號 | 速比 | 功率 | 重量 | 沖擊力 |
| F67Y3KW | 43.20 | 3KW | 90Kg | 10000N |
| F67Y3KW | 39.36 | 3KW | 90Kg | 10700N |
| F67Y3KW | 34.01 | 3KW | 90Kg | 11500N |
| F67Y3KW | 32.08 | 3KW | 90Kg | 11700N |
| F67Y3KW | 27.41 | 3KW | 90Kg | 12200N |
| F67Y3KW | 25.13 | 3KW | 90Kg | 12400N |
| F67Y3KW | 22.05 | 3KW | 90Kg | 12700N |
| F67Y3KW | 20.90 | 3KW | 90Kg | 12800N |
| F67Y3KW | 18.29 | 3KW | 90Kg | 12900N |
| F67Y3KW | 16.48 | 3KW | 90Kg | 13000N |
| F67Y3KW | 14.46 | 3KW | 90Kg | 13000N |
減速機配4KW電機參數
| 型號 | 速比 | 功率 | 重量 | 沖擊力 |
| F67Y4KW | 27.41 | 4KW | 101Kg | 11100N |
| F67Y4KW | 25.13 | 4KW | 101Kg | 11600N |
| F67Y4KW | 22.05 | 4KW | 101Kg | 12000N |
| F67Y4KW | 20.90 | 4KW | 101Kg | 12200N |
| F67Y4KW | 18.29 | 4KW | 101Kg | 12500N |
| F67Y4KW | 16.48 | 4KW | 101Kg | 12700N |
| F67Y4KW | 14.46 | 4KW | 101Kg | 12900N |
| F67Y4KW | 12.76 | 4KW | 101Kg | 13000N |
| F67Y4KW | 11.31 | 4KW | 101Kg | 13000N |
| F67Y4KW | 9.66 | 4KW | 101Kg | 13000N |
| F67Y4KW | 9.08 | 4KW | 101Kg | 12900N |
| F67Y4KW | 8.60 | 4KW | 101Kg | 12700N |
| F67Y4KW | 7.53 | 4KW | 101Kg | 12300N |
| F67Y4KW | 6.78 | 4KW | 101Kg | 12000N |
| F67Y4KW | 5.95 | 4KW | 101Kg | 11700N |
| F67Y4KW | 278 | 4KW | 101Kg | 11300N |
| F67Y4KW | 314 | 4KW | 101Kg | 11000N |
| F67Y4KW | 367 | 4KW | 101Kg | 10500N |
減速機配5.5KW電機參數
| 型號 | 速比 | 功率 | 重量 | 沖擊力 |
| F67Y5.5KW | 22.05 | 5.5KW | 115Kg | 10500N |
| F67Y5.5KW | 20.90 | 5.5KW | 115Kg | 10900N |
| F67Y5.5KW | 18.29 | 5.5KW | 115Kg | 11500N |
| F67Y5.5KW | 16.48 | 5.5KW | 115Kg | 11900N |
| F67Y5.5KW | 14.46 | 5.5KW | 115Kg | 12300N |
| F67Y5.5KW | 12.76 | 5.5KW | 115Kg | 12600N |
| F67Y5.5KW | 11.31 | 5.5KW | 115Kg | 12800N |
| F67Y5.5KW | 9.66 | 5.5KW | 115Kg | 12900N |
| F67Y5.5KW | 9.08 | 5.5KW | 115Kg | 12400N |
| F67Y5.5KW | 8.60 | 5.5KW | 115Kg | 12200N |
| F67Y5.5KW | 7.53 | 5.5KW | 115Kg | 11900N |
| F67Y5.5KW | 6.78 | 5.5KW | 115Kg | 11700N |
| F67Y5.5KW | 5.95 | 5.5KW | 115Kg | 11300N |
| F67Y5.5KW | 5.25 | 5.5KW | 115Kg | 11000N |
| F67Y5.5KW | 4.66 | 5.5KW | 115Kg | 10700N |
| F67Y5.5KW | 3.97 | 5.5KW | 115Kg | 10300N |
FA68減速機生產工廠展示:看廠請聯系微信13827261050,獲取位置,需提前一天預約
推薦類似型號:F68減速機
關鍵詞:GFA系列減速器配馬達一體式_分體電機減速機_分體減速機_分體減速機電機_分體電機_FA系列減速機_FA型減速機_GFA系列減速機_FA系列減速器_FA系列減速機生產廠家
FA系列齒輪減速馬達型號:FA28減速機,FA38減速機,FA48減速機,FA68減速機,FA78減速機,FA88減速機,FA98減速機,FA108減速機,FA128減速機,FA158減速機
FA系列電動機減速機可配變頻電機,剎車電機,防爆電機,伺服電機,交流電機,直流電機,三相電機,單相電機 0.12KW-132KW之間
如需工程師幫選型,請加微信13827261050,留言告知工程師參數要求
標簽:  FA68減速機 FA67斜齒輪平行軸減速機 FA67系列減速機 FA67減速機傳動比 FA67減速機選型參數 FA67減速機CAD三維圖
