FA108減速電機詳細信息
FA108減速電機
FA108減速電機基座參數計算公式:齒輪減速馬達
滑塊傳送帶參數:承重53000Kg,輪子直徑φ280mm,拉動速度0.76m/s
運輸速度0.76m×60s=45.6m每分鐘
3.14(圓周率)×0.28m(輪子直徑φ280mm)=0.8792m
45.6m÷0.8792m=51.87r/min輸出轉數
輸送物流53000Kg換算成N=519400n
519400n×0.14輪子半徑×0.06摩擦系數=4362.96×2=8725.92N.m輸出扭矩
1400電機輸入轉速÷51.87r/min=26.99減速比
8725.92N.m輸出扭矩÷26.99減速比=323.3N.m電機扭矩
323.3N.m電機扭矩換算成電機功率=51.32KW左右
對應的FA108減速電機功率型號:
型號:FA108-BVP45KW
減速比:27.57
輸出轉數:54轉
輸出扭矩:8010N.m
安全系數:1
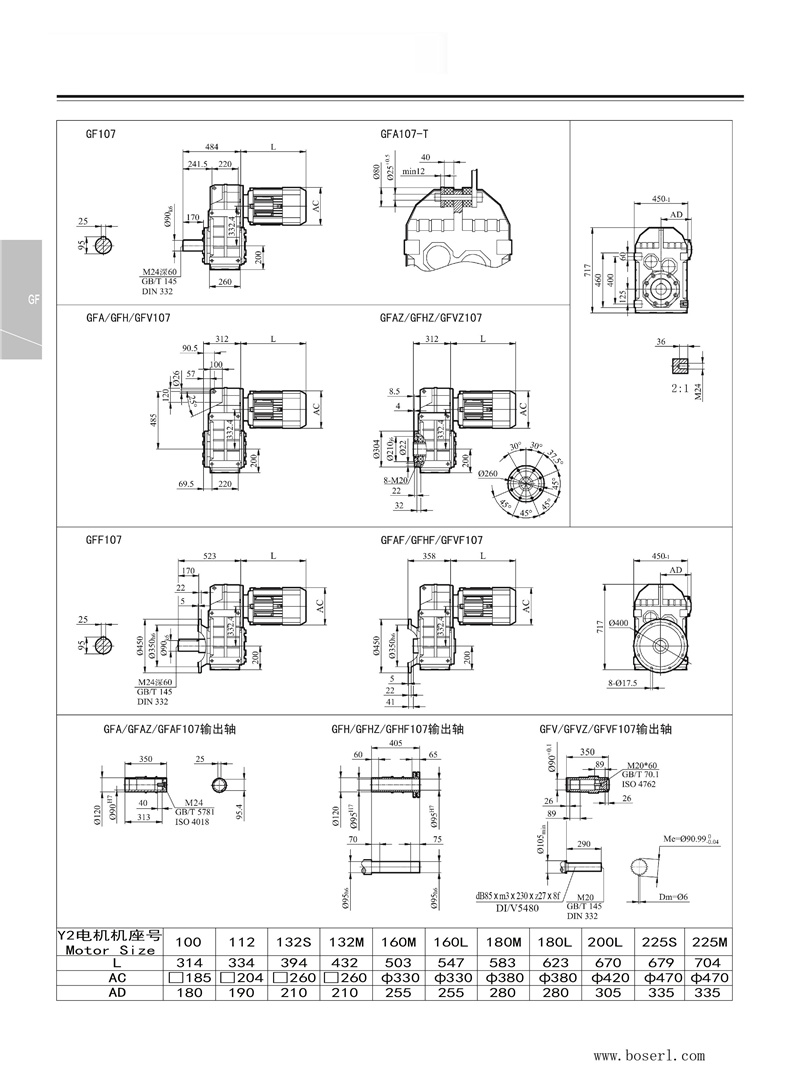
FA108減速電機基座尺寸:輸出軸Φ20+鍵2.5(可定做),高134*寬135*長174(帶輸出軸)平行軸斜齒輪減速機

FA108平行軸齒輪減速機型號:

FA108減速電機型號參數:分體減速機電機
FA108減速機配2.2KW電機參數
| 型號 | 功率 | 輸出轉數 | 輸出扭矩 | 服務系數 |
| F107Y2.2KW | 2.2KW | 3.80rpm | 3750N.m | 2.00 |
| F107Y2.2KW | 2.2KW | 4.40rpm | 3170N.m | 2.40 |
| F107Y2.2KW | 2.2KW | 4.80rpm | 2930N.m | 2.60 |
| F107Y2.2KW | 2.2KW | 5.40rpm | 263N.m | 2.90 |
FA108減速機配3KW電機參數
| 型號 | 功率 | 輸出轉數 | 輸出扭矩 | 服務系數 |
| F107Y3KW | 3KW | 5.70rpm | 5000N.m | 1.55 |
| F107Y3KW | 3KW | 6.80rpm | 4240N.m | 1.80 |
| F107Y3KW | 3KW | 7.30rpm | 3920N.m | 1.95 |
| F107Y3KW | 3KW | 8.10rpm | 3510N.m | 2.20 |
| F107Y3KW | 3KW | 9.00rpm | 3170N.m | 2.40 |
FA108減速機配4KW電機參數
| 型號 | 功率 | 輸出轉數 | 輸出扭矩 | 服務系數 |
| F107Y4KW | 4KW | 5.70rpm | 6650N.m | 1.15 |
| F107Y4KW | 4KW | 6.80rpm | 5630N.m | 1.35 |
| F107Y4KW | 4KW | 7.30rpm | 5210N.m | 1.45 |
| F107Y4KW | 4KW | 8.20rpm | 4670N.m | 1.65 |
| F107Y4KW | 4KW | 9.00rpm | 4210N.m | 1.80 |
| F107Y4KW | 4KW | 10.0rpm | 3830N.m | 2.00 |
| F107Y4KW | 4KW | 11.0rpm | 3400N.m | 2.30 |
| F107Y4KW | 4KW | 12.0rpm | 3080N.m | 2.50 |
FA108減速機配5.5KW電機參數
| 型號 | 功率 | 輸出轉數 | 輸出扭矩 | 服務系數 |
| F107Y5.5KW | 5.5KW | 6.80rpm | 7770N.m | 1.00 |
| F107Y5.5KW | 5.5KW | 7.30rpm | 7190N.m | 1.05 |
| F107Y5.5KW | 5.5KW | 8.10rpm | 6440N.m | 1.20 |
| F107Y5.5KW | 5.5KW | 9.00rpm | 5820N.m | 1.30 |
| F107Y5.5KW | 5.5KW | 9.90rpm | 5280N.m | 1.45 |
| F107Y5.5KW | 5.5KW | 11.0rpm | 4690N.m | 1.65 |
| F107Y5.5KW | 5.5KW | 12.0rpm | 4250N.m | 1.80 |
| F107Y5.5KW | 5.5KW | 14.0rpm | 3650N.m | 2.10 |
| F107Y5.5KW | 5.5KW | 16.0rpm | 3330N.m | 2.30 |
| F107Y5.5KW | 5.5KW | 16.0rpm | 3190N.m | 2.40 |
| F107Y5.5KW | 5.5KW | 17.0rpm | 3030N.m | 2.50 |
FA108減速機配7.5KW電機參數
| 型號 | 功率 | 輸出轉數 | 輸出扭矩 | 服務系數 |
| F107Y7.5KW | 7.5KW | 8.20rpm | 8700N.m | 0.90 |
| F107Y7.5KW | 7.5KW | 9.10rpm | 7850N.m | 1.00 |
| F107Y7.5KW | 7.5KW | 10.0rpm | 7130N.m | 1.10 |
| F107Y7.5KW | 7.5KW | 11.0rpm | 6330N.m | 1.20 |
| F107Y7.5KW | 7.5KW | 12.0rpm | 5740N.m | 1.35 |
| F107Y7.5KW | 7.5KW | 14.0rpm | 4930N.m | 1.55 |
| F107Y7.5KW | 7.5KW | 16.0rpm | 4500N.m | 1.70 |
| F107Y7.5KW | 7.5KW | 17.0rpm | 4310N.m | 1.80 |
| F107Y7.5KW | 7.5KW | 18.0rpm | 4090N.m | 1.90 |
| F107Y7.5KW | 7.5KW | 20.0rpm | 3630N.m | 2.10 |
| F107Y7.5KW | 7.5KW | 22.0rpm | 3290N.m | 2.30 |
FA108減速機配11KW電機參數
| 型號 | 功率 | 輸出轉數 | 輸出扭矩 | 服務系數 |
| F107Y11KW | 11KW | 13.0rpm | 8390N.m | 0.90 |
| F107Y11KW | 11KW | 15.0rpm | 7210N.m | 1.05 |
| F107Y11KW | 11KW | 16.0rpm | 6580N.m | 1.15 |
| F107Y11KW | 11KW | 18.0rpm | 5980N.m | 1.30 |
| F107Y11KW | 11KW | 20.0rpm | 5300N.m | 1.45 |
| F107Y11KW | 11KW | 22.0rpm | 4810N.m | 1.60 |
| F107Y11KW | 11KW | 25.0rpm | 4130N.m | 1.85 |
| F107Y11KW | 11KW | 29.0rpm | 3610N.m | 2.10 |
| F107Y11KW | 11KW | 34.0rpm | 3060N.m | 2.50 |
| F107Y11KW | 11KW | 44.0rpm | 2400N.m | 3.10 |
| F107Y11KW | 11KW | 54.0rpm | 1960N.m | 4.00 |
| F107Y11KW | 11KW | 59.0rpm | 1790N.m | 4.40 |
FA108減速機配15KW電機參數
| 型號 | 功率 | 輸出轉數 | 輸出扭矩 | 服務系數 |
| F107Y15KW | 15KW | 16.0rpm | 9040N.m | 0.85 |
| F107Y15KW | 15KW | 17.0rpm | 8650N.m | 0.90 |
| F107Y15KW | 15KW | 17.0rpm | 8210N.m | 0.95 |
| F107Y15KW | 15KW | 20.0rpm | 7280N.m | 1.05 |
| F107Y15KW | 15KW | 22.0rpm | 6610N.m | 1.15 |
| F107Y15KW | 15KW | 25.0rpm | 5680N.m | 1.35 |
| F107Y15KW | 15KW | 29.0rpm | 4960N.m | 1.55 |
| F107Y15KW | 15KW | 34.0rpm | 4200N.m | 1.85 |
| F107Y15KW | 15KW | 39.0rpm | 3670N.m | 2.10 |
| F107Y15KW | 15KW | 46.0rpm | 3100N.m | 2.50 |
| F107Y15KW | 15KW | 43.0rpm | 3300N.m | 2.20 |
| F107Y15KW | 15KW | 53.0rpm | 2690N.m | 2.90 |
| F107Y15KW | 15KW | 58.0rpm | 2450N.m | 3.20 |
| F107Y15KW | 15KW | 67.0rpm | 2120N.m | 3.70 |
FA108減速機配18.5KW電機參數
| 型號 | 功率 | 輸出轉數 | 輸出扭矩 | 服務系數 |
| F107Y18.5KW | 18.5KW | 20.0rpm | 8980N.m | 0.85 |
| F107Y18.5KW | 18.5KW | 22.0rpm | 8150N.m | 0.95 |
| F107Y18.5KW | 18.5KW | 25.0rpm | 7000N.m | 1.10 |
| F107Y18.5KW | 18.5KW | 29.0rpm | 6110N.m | 1.25 |
| F107Y18.5KW | 18.5KW | 34.0rpm | 5180N.m | 1.50 |
| F107Y18.5KW | 18.5KW | 39.0rpm | 4530N.m | 1.70 |
| F107Y18.5KW | 18.5KW | 46.0rpm | 3830N.m | 2.00 |
| F107Y18.5KW | 18.5KW | 43.0rpm | 4070N.m | 1.80 |
| F107Y18.5KW | 18.5KW | 53.0rpm | 3320N.m | 2.40 |
| F107Y18.5KW | 18.5KW | 58.0rpm | 3030N.m | 2.60 |
| F107Y18.5KW | 18.5KW | 67.0rpm | 2620N.m | 3.00 |
FA108減速機配22KW電機參數
| 型號 | 功率 | 輸出轉數 | 輸出扭矩 | 服務系數 |
| F107Y22KW | 22KW | 25.0rpm | 8270N.m | 0.95 |
| F107Y22KW | 22KW | 29.0rpm | 7220N.m | 1.05 |
| F107Y22KW | 22KW | 34.0rpm | 6120N.m | 1.25 |
| F107Y22KW | 22KW | 39.0rpm | 5350N.m | 1.45 |
| F107Y22KW | 22KW | 46.0rpm | 4520N.m | 1.70 |
| F107Y22KW | 22KW | 44.0rpm | 4810N.m | 1.55 |
| F107Y22KW | 22KW | 54.0rpm | 3920N.m | 2.00 |
| F107Y22KW | 22KW | 59.0rpm | 3580N.m | 2.20 |
| F107Y22KW | 22KW | 68.0rpm | 3090N.m | 2.50 |
| F107Y22KW | 22KW | 77.0rpm | 2730N.m | 2.90 |
FA108減速機配30KW電機參數
| 型號 | 功率 | 輸出轉數 | 輸出扭矩 | 服務系數 |
| F107Y30KW | 30KW | 34.0rpm | 8350N.m | 0.90 |
| F107Y30KW | 30KW | 39.0rpm | 7300N.m | 1.05 |
| F107Y30KW | 30KW | 46.0rpm | 6170N.m | 1.25 |
| F107Y30KW | 30KW | 54.0rpm | 5350N.m | 1.45 |
| F107Y30KW | 30KW | 59.0rpm | 4880N.m | 1.60 |
| F107Y30KW | 30KW | 68.0rpm | 4220N.m | 1.85 |
| F107Y30KW | 30KW | 77.0rpm | 3720N.m | 2.10 |
| F107Y30KW | 30KW | 89.0rpm | 3220N.m | 2.40 |
| F107Y30KW | 30KW | 101rpm | 2840N.m | 2.70 |
| F107Y30KW | 30KW | 120rpm | 2390N.m | 2.90 |
| F107Y30KW | 30KW | 148rpm | 1930N.m | 3.40 |
FA108減速機配37KW電機參數
| 型號 | 功率 | 輸出轉數 | 輸出扭矩 | 服務系數 |
| F107Y37KW | 37KW | 54.0rpm | 6590N.m | 1.20 |
| F107Y37KW | 37KW | 59.0rpm | 6010N.m | 1.30 |
| F107Y37KW | 37KW | 68.0rpm | 5200N.m | 1.50 |
| F107Y37KW | 37KW | 77.0rpm | 4590N.m | 1.70 |
| F107Y37KW | 37KW | 89.0rpm | 3960N.m | 2.00 |
| F107Y37KW | 37KW | 101rpm | 3500N.m | 2.20 |
| F107Y37KW | 37KW | 120rpm | 2940N.m | 2.40 |
| F107Y37KW | 37KW | 148rpm | 2380N.m | 2.70 |
| F107Y37KW | 37KW | 152rpm | 2310N.m | 2.10 |
| F107Y37KW | 37KW | 176rpm | 2000N.m | 2.40 |
| F107Y37KW | 37KW | 199rpm | 1770N.m | 2.60 |
| F107Y37KW | 37KW | 237rpm | 1480N.m | 3.10 |
FA108減速機配45KW電機參數
| 型號 | 功率 | 輸出轉數 | 輸出扭矩 | 服務系數 |
| F107Y45KW | 45KW | 54.0rpm | 8010N.m | 1.00 |
| F107Y45KW | 45KW | 59.0rpm | 7310N.m | 1.05 |
| F107Y45KW | 45KW | 68.0rpm | 6320N.m | 1.25 |
| F107Y45KW | 45KW | 77.0rpm | 5580N.m | 1.40 |
| F107Y45KW | 45KW | 89.0rpm | 4820N.m | 1.65 |
| F107Y45KW | 45KW | 101rpm | 4260N.m | 1.80 |
| F107Y45KW | 45KW | 120rpm | 3580N.m | 1.95 |
| F107Y45KW | 45KW | 148rpm | 2890N.m | 2.20 |
| F107Y45KW | 45KW | 152rpm | 2810N.m | 1.75 |
| F107Y45KW | 45KW | 177rpm | 2430N.m | 1.95 |
| F107Y45KW | 45KW | 200rpm | 2150N.m | 2.10 |
| F107Y45KW | 45KW | 238rpm | 1800N.m | 2.50 |
FA108減速電機生產工廠展示:看廠請聯系微信13827261050,獲取位置,需提前一天預約
推薦類似型號:F108減速機
關鍵詞:GFA系列減速器配馬達一體式_分體電機減速機_分體減速機_分體減速機電機_分體電機_FA系列減速機_FA型減速機_GFA系列減速機_FA系列減速器_FA系列減速機生產廠家
FA系列齒輪減速馬達型號:FA28減速機,FA38減速機,FA48減速機,FA68減速機,FA78減速機,FA88減速機,FA98減速機,FA108減速機,FA128減速機,FA158減速機
FA系列電動機減速機可配變頻電機,剎車電機,防爆電機,伺服電機,交流電機,直流電機,三相電機,單相電機 0.12KW-132KW之間
如需工程師幫選型,請加微信13827261050,留言告知工程師參數要求
標簽:   FA108減速電機 FA107平行軸齒輪減速機 FA107減速機功率 FA107減速機基座尺寸 FA107減速機模型 FA107減速機型號參數
